Hjem / Produkter / Rulleleje / Konisk rulleleje / 31300 -serien
31300 -serien Konisk rulleleje
31300 -serien Konisk rulleleje
31300 -serien Konisk rulleleje

31300 -serien

31300-serie koniske rullelejer er rullende lejer med høj bærende kapacitet og fremragende slidstyrke og er vidt brugt i forskellige industrielle udstyr og maskiner. Denne række lejer vedtager et konisk rulledesign og kan modstå radiale og aksiale belastninger. Det er velegnet til brug i højhastigheds- og højhastighedsoperationsmiljøer. Dens strukturelle træk inkluderer koniske kontaktoverflader på de indre og ydre ringe, hvilket sikrer en præcis pasform mellem ruller og raceways og reducerer derved friktion og varmeproduktion. Materialet i 31300-seriens lejer er normalt legeringsstål af høj kvalitet, der er varmebehandlet for at øge hårdheden og holdbarheden. Derudover har dette leje også gode selvjusteringsfunktioner, som kan kompensere for afvigelser forårsaget af forkert installation eller skaftbøjning, der forlænger sin levetid. Almindelige anvendelsesområder inkluderer bilindustrien, minemaskiner, metallurgisk udstyr og rumfart.

Send forespørgsel

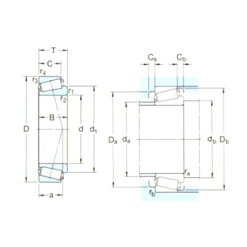
Produktparametre

Betegnelse Hoveddimensioner (mm) Grundlæggende bel-enstningsvurderinger (kN) PU Hastighedsvurderinger (omdrejninger pr. Minut Vægt (kg) ISO335 Dimensioner (mm) Abutment og filetdimensioner (mm) Værdi
D1 D B DYC (CR) STC (COR) Hastighedsvurderinger Begrænsende hastighed Dimensioner (ABMA) d D1 ~ B C R1,2 (min) R3,4 (min) a DA (Max) db (min) DA (min) DA (Max) Db (min) CA (min) CB (min) ra (max) RB (Max) e Y Yo
31305J2 25 62 18,25 38 40 4,4 7500 11000 0,26 7FB 25 45,8 17 13 1,5 1,5 20 34 32 47 55 59 3 5 1,5 1,5 0,83 0,72 0,4
31306J2/Q. 30 72 20,75 55 50 5,7 7500 9500 0,39 7FB 30 52,7 19 14 1,5 1,5 22 40 37 55 65 68 3 6,5 1,5 1,5 0,83 0,72 0,4
31307J2/Q. 35 80 22,75 71 67 7,8 6300 8500 0,52 7FB 35 59,6 21 15 2 1,5 25 45 44 62 71 76 3 7,5 2 1,5 0,83 0,72 0,4
31308J2/QCL7C 40 90 25,25 85 81,5 9,5 5600 7500 0,72 7FB 40 67,1 23 17 2 1,5 28 51 49 71 81 86 3 8 2 1,5 0,83 0,72 0,4
31309J2/QCL7C 45 100 27,25 106 102 12,5 5000 6700 0,95 7FB 45 74,7 25 18 2 1,5 31 57 53 79 91 95 4 9 2 1,5 0,83 0,72 0,4
31310J2/QCL7C 50 110 29,25 122 120 14,3 4500 6000 1,20 7FB 50 81,5 27 19 2,5 2 34 62 60 87 100 104 4 10 2 2 0,83 0,72 0,4
31311j2/qcl7c 55 120 31,5 140 137 16,6 4300 5600 1,55 7FB 55 88,4 29 21 2,5 2 37 68 65 94 112 113 4 10,5 2 2 0,83 0,72 0,4
31312J2/QCL7C 60 130 33,5 166 166 20,4 3800 5300 1,90 7FB 60 95,9 31 22 3 2,5 39 74 72 103 118 123 5 11,5 2,5 2 0,83 0,72 0,4
31313j2/qcl7c 65 140 36 190 193 23,6 3600 4800 2,35 7GB 65 103 33 23 3 2,5 42 80 77 111 128 132 5 13 2,5 2 0,83 0,72 0,4
31314J2/QCL7C 70 150 38 216 220 27 3400 4500 2,95 7GB 70 110 35 25 3 2,5 45 85 82 118 138 141 5 13 2,5 2 0,83 0,72 0,4
31315J2/QCL7C 75 160 40 240 245 29 3200 4300 3,50 7GB 75 116 37 26 3 2,5 48 91 87 127 148 151 6 14 2,5 2 0,83 0,72 0,4
31316J1/QCL7C 80 170 42,5 260 265 32 3000 4000 4.05 7GB 80 124 39 27 3 2,5 52 97 92 134 158 159 6 15,5 2,5 2 0,83 0,72 0,4
31317J2 85 180 44,5 242 285 33,5 2600 3800 4.60 7GB 85 131 41 28 4 3 55 103 99 143 166 169 6 16,5 3 2,5 0,83 0,72 0,4
31318J2 90 190 46,5 264 315 36,5 2400 3400 5,90 7GB 90 138 43 30 4 3 57 109 105 151 176 179 5 16,5 3 2,5 0,83 0,72 0,4
31319J2 95 200 49,5 292 355 39 2400 3400 6,95 7GB 95 145 45 32 4 3 60 114 110 157 186 187 5 17,5 3 2,5 0,83 0,72 0,4
31320XJ2/CL7CVQ051 100 215 56,5 430 465 51 2400 3000 8,60 7GB 100 158 51 35 4 3 65 121 115 168 201 202 7 21,5 3 2,5 0,83 0,72 0,4
31322xj2 110 240 63 457 585 62 1900 2800 12,0 7GB 110 176 57 38 4 3 72 135 125 188 226 224 7 25 3 2,5 0,83 0,72 0,4
31324XJ2 120 260 68 539 695 73,5 1700 2400 15,5 7GB 120 190 62 42 4 3 78 145 135 203 245 244 9 26 3 2,5 0,83 0,72 0,4
31326XJ2 130 280 72 605 780 81,5 1600 2400 18,5 7GB 130 204 66 44 5 4 84 157 150 218 263 261 8 28 4 3 0,83 0,72 0,4
31328XJ2 140 300 77 693 900 88 1500 2200 24,5 7GB 140 219 70 47 5 4 90 169 160 235 283 280 9 30 4 3 0,83 0,72 0,4
31330XJ2 150 320 82 781 1020 100 1400 2000 29,5 7GB 150 234 75 50 5 4 96 181 170 251 303 300 9 32 4 3 0,83 0,72 0,4

Om Yinin

Shanghai Yinin Bearing and Transmission Company Etableret i 2009, med mere end 20 års erfaring inden for lejebranchen. Vi er Kina 31300 -serien Konisk rulleleje Producent Og leverer Tilpassede 31300 -serien Konisk rulleleje Fabrikker. Siden 1999 har vi fungeret som agent for kinesiske lejeproducenter og eksporteret forskellige lejer. I dag har vi udviklet os til en omfattende lejegruppe, der integrerer salg og produktion.

Brancheapplikation

Lejer spiller også en meget vigtig rolle i landbrugsmaskineriet. De bruges til at understøtte rot...

Lejer er vidt brugt i biler. De er de vigtigste understøttende og roterende dele af mange bevægel...

Brugt til støtte, højde, vinkel, led og roterende dele af medicinsk udstyr.

Brugt til støtte, rotation, motoriske og kompressordele af husholdningsapparater.

Bruges til rotation og bevægelse af support og guide dele af automatiseringsudstyr

I bygningsstrukturer kan lejer bruges til at forbinde forskellige strukturelle komponenter.

I produktionsprocessen med mad og drikkevarer er der behov for pumper for at transportere væsker,...

Lejer bruges i fly- og rumfartøjsmotorer til understøttelse af roterende komponenter såsom turbin...

Nyhedsinformation

Læs mere

2025-10-30

Application and Selection Recommendations of Deep Groov...
The deep groove ball bearing is the workhorse of the electric motor industry, serving as a critical component in everything from small appliance motors to large industrial drives. Its versatility, rel...

2025-10-24

Deep Groove Ball Bearing Installation Direction and Pre...
Proper installation is the most critical factor determining the performance, accuracy, and service life of a deep groove ball bearing. Unlike tapered roller bearings, a common point of confusion surro...

2025-10-17

How to Judge the Service Life and Wear Degree of Deep G...
Deep groove ball bearings are among the most common and versatile bearing types, found in everything from small electric motors to heavy industrial machinery. Their reliability is critical, but like a...

Kontakt os

SUBMIT

Teknisk rådgivning

  • Shanghai Yinin Bearing and Transmission Company

    Tilpassede løsninger

  • Shanghai Yinin Bearing and Transmission Company

    Kontinuerlig forskning og udvikling

  • Shanghai Yinin Bearing and Transmission Company

    Kvalitetskontrol

  • Shanghai Yinin Bearing and Transmission Company

    Teknisk support og træning

  • Shanghai Yinin Bearing and Transmission Company

    Hurtig respons

Hvis du har teknisk rådgivning eller feedback, vil vi give dig det mest professionelle svar hurtigst muligt!

Kontakt os