Hjem / Produkter / Rulleleje / Konisk rulleleje / 32000 -serien
32000 -serien Konisk rulleleje
32000 -serien Konisk rulleleje
32000 -serien Konisk rulleleje

32000 -serien

32000-serien Tapered Roller Peating er et højtydende lejer, der er meget brugt inden for industrielle og mekaniske felter. Det bruges hovedsageligt til at bære radiale og aksiale belastninger. Designfunktionen ved dette leje er, at kontaktlinjen mellem den koniske rulle og de indre og ydre ringe er i punktkontakt, som effektivt kan fordele belastningen, reducere friktion og forlænge levetiden. 32000-seriens lejer er normalt lavet af stål med høj styrke og har fremragende slidstyrke og høj temperaturresistens, hvilket gør dem velegnede til brug i barske arbejdsmiljøer. Det er vidt brugt i biler, jernbaner, vindkraft, minemaskiner og andre felter, især i situationer, hvor der kræves store aksiale belastninger. Denne række lejer kræver korrekt justering og smøring under installationen for at sikre optimal driftsydelse og stabilitet.

Send forespørgsel

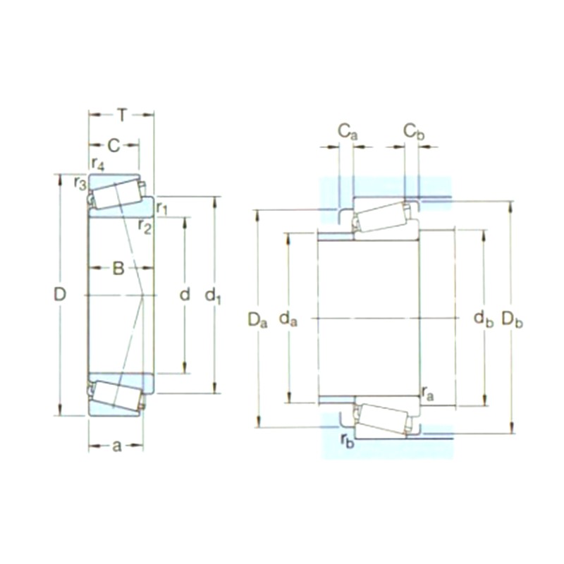
Produktparametre

Betegnelse Hoveddimensioner (mm) Grundlæggende bel-enstningsvurderinger (kN) PU Hastighedsvurderinger (omdrejninger pr. Minut Vægt (kg) ISO335 Dimensioner (mm) Abutment og filetdimensioner (mm) Værdi
D1 D B DYC (CR) STC (COR) Hastighedsvurderinger Begrænsende hastighed Dimensioner (ABMA) d D1 ~ B C R1,2 (min) R3,4 (min) a DA (Max) db (min) DA (min) DA (Max) Db (min) CA (min) CB (min) ra (max) RB (Max) e Y Yo
32004x/q 20 42 15 28 27 2,7 13000 16000 0,097 3cc 20 31,1 15 12 0,6 0,6 10 25 25 36 37 39 2 3 0,6 0,6 0,37 1,6 0,9
320/22x 22 44 15 25,1 29 2.85 11000 15000 0,10 3cc 22 33,3 15 11,5 0,6 0,6 11 27 27 38 39 41 3 3,5 0,6 0,6 0,40 1,5 0,8
32005x/q 25 47 15 31 32,5 3,25 12000 14000 0,11 4cc 25 36,5 15 11,5 0,6 0,6 11 30 30 40 42 44 3 3,5 0,6 0,6 0,43 1,4 0,8
320/28x/q 28 52 16 36,5 38 4 10000 13000 0,15 4cc 28 40,3 16 12 1 1 12 34 34 45 46 49 3 4 1 1 0,43 1,4 0,8
32006x/q 30 55 17 40,5 44 4.55 10000 12000 0,17 4cc 30 43 17 13 1 1 13 35 36 48 49 52 3 4 1 1 0,43 1,4 0,8
320/32x/q 32 58 17 42,5 46,5 4,8 9000 11000 0,19 4cc 32 45,6 17 13 1 1 14 38 38 50 52 55 3 4 1 1 0,46 1,3 0,7
32008/38X/Q. 38 68 19 60 71 7,65 7500 10000 0,28 - 38 54,2 19 14,5 1 1 15 46 44 60 62 65 4 4,5 1 1 0,37 1,6 0,9
32008x/q 40 68 19 60 71 7,65 7500 9500 0,27 3CD 40 54,2 19 14,5 1 1 15 46 46 60 62 65 4 4,5 1 1 0,37 1,6 0,9
32008XTN9/Q. 40 68 19 60 71 7,65 7500 9500 0,27 3CD 40 54,2 19 14,5 1 1 15 46 46 60 62 65 4 4,5 1 1 0,37 1,6 0,9
33209/q 45 85 32 108 143 16,3 5300 7500 0,82 3DE 45 65,2 32 25 1,5 1,5 22 52 52 72 78 81 5 7 1,5 1,5 0,4 1,5 0,8
32010x/q 50 80 20 69,5 88 9,65 6300 8000 0,37 3cc 50 65,6 20 15,5 1 1 18 57 56 72 74 77 4 4,5 1 1 0,43 1,4 0,8
32010X/QCL7CVB026 50 80 20 69,5 88 9,65 6300 8000 0,37 3cc 50 65,6 20 15,5 3 1 18 57 62 72 74 77 4 4,5 2,5 1 0,43 1,4 0,8
32012X/QCL7C 60 95 23 95 122 13,4 5300 6700 0,59 4cc 60 77,8 23 17,5 1,5 1,5 21 67 67 85 88 91 4 5 1,5 1,5 0,43 1,4 0,8
32014x/q 70 110 25 116 153 17,3 4500 5600 0,84 4cc 70 89,8 25 19 1,5 1,5 23 78 77 98 103 105 5 6 1,5 1,5 0,43 1,4 0,8
32015x/q 75 115 25 122 163 18,6 4300 5300 0,90 4cc 75 95,1 25 19 1,5 1,5 25 83 82 103 108 110 5 6 1,5 1,5 0,46 1,3 0,7
32016x/q 80 125 29 138 216 24,5 3600 5000 1,30 3cc 80 103 29 22 1,5 1,5 27 90 87 112 117 120 6 7 1,5 1,5 0,43 1,4 0,8
32018x/q 90 140 32 168 270 31 3200 4300 1,75 3cc 90 115 32 24 2 1,5 30 100 98 125 132 134 6 8 2 1,5 0,43 1,4 0,8
32019x/q 95 145 32 168 270 30,5 3200 4300 1,80 4cc 95 120 32 24 2 1,5 31 105 104 130 138 139 6 8 2 1,5 0,44 1,35 0,8
32021x/q 105 160 35 201 335 37,5 2800 3800 2.40 4dc 105 132 35 26 2,5 2 34 116 116 143 150 154 6 9 2 2 0,44 1,35 0,8
32022x/q 110 170 38 233 390 42,5 2600 3600 3.05 4dc 110 140 38 29 2,5 2 36 123 121 152 160 163 7 9 2 2 0,43 1,4 0,8
32021x/q 105 160 35 201 335 37,5 2800 3800 2.40 4dc 105 132 35 26 2,5 2 34 116 116 143 150 154 6 9 2 2 0,44 1,35 0,8
32022x/q 110 170 38 233 390 42,5 2600 3600 3.05 4dc 110 140 38 29 2,5 2 36 123 121 152 160 163 7 9 2 2 0,43 1,4 0,8
32024x 120 180 38 242 415 44 2400 3400 3,25 4dc 120 150 38 29 2,5 2 39 132 131 161 170 173 7 9 2 2 0,46 1,3 0,7
32026X 130 200 45 314 540 55 2200 3000 4.95 4ec 130 165 45 34 2,5 2 42 144 142 178 190 192 7 11 2 2 0,43 1,4 0,8
32028X 140 210 45 330 585 58,5 2200 2800 5,25 4dc 140 175 45 34 2,5 2 46 153 152 187 200 202 7 11 2 2 0,46 1,3 0,7
32030X 150 225 48 369 655 65,5 2000 2600 6,35 4ec 150 187 48 36 3 2,5 49 164 164 200 213 216 8 12 2,5 2 0,46 1,3 0,7
32032x 160 240 51 429 780 78 1800 2400 7,75 4ec 160 200 51 38 3 2,5 52 175 174 213 228 231 8 13 2,5 2 0,46 1,3 0,7
32034x 170 260 57 512 915 90 1700 2200 10,5 4ec 170 214 57 43 3 2,5 56 188 184 230 246 249 10 14 2,5 2 0,44 1,35 0,8
32036X 180 280 64 644 1160 110 1600 2200 14,5 3FD 180 229 64 48 3 2,5 59 199 194 247 266 267 10 16 2,5 2 0,43 1,4 0,8
32038X 190 290 64 660 1200 112 1500 2000 15,0 4fd 190 240 64 48 3 2,5 62 210 204 257 276 279 10 16 2,5 2 0,44 1,35 0,8
32040x 200 310 70 748 1370 127 1400 1900 19,5 4fd 200 254 70 53 3 2,5 66 222 214 273 296 297 11 17 2,5 2 0,43 1,4 0,8
32044x 220 340 76 897 1660 150 1300 1700 25,5 4fd 220 279 76 57 4 3 72 244 236 300 325 326 12 19 3 2,5 0,43 1,4 0,8
32048X 240 360 76 935 1800 160 1200 1600 27,5 4fd 240 299 76 57 4 3 78 262 256 318 345 346 12 19 3 2,5 0,46 1,3 0,7
32052x 260 400 87 1170 2200 190 1100 1400 40,0 4fc 260 328 87 65 5 4 84 287 282 352 383 383 13 22 4 3 0,43 1,4 0,8
32056X 280 420 87 1210 2360 200 1000 1300 40,5 4fc 280 348 87 65 5 4 89 305 302 370 400 402 14 22 4 3 0,46 1,3 0,7
32060x 300 460 100 1540 3000 250 900 1200 58,0 4GD 300 377 100 74 5 4 97 330 322 404 440 439 15 26 4 3 0,43 1,4 0,8
32064X 320 480 100 1540 3100 255 850 1100 64,0 4GD 320 399 100 74 5 4 103 350 342 424 460 461 15 26 4 3 0,46 1,3 0,7

Om Yinin

Shanghai Yinin Bearing and Transmission Company Etableret i 2009, med mere end 20 års erfaring inden for lejebranchen. Vi er Kina 32000 -serien Konisk rulleleje Producent Og leverer Tilpassede 32000 -serien Konisk rulleleje Fabrikker. Siden 1999 har vi fungeret som agent for kinesiske lejeproducenter og eksporteret forskellige lejer. I dag har vi udviklet os til en omfattende lejegruppe, der integrerer salg og produktion.

Brancheapplikation

Lejer spiller også en meget vigtig rolle i landbrugsmaskineriet. De bruges til at understøtte rot...

Lejer er vidt brugt i biler. De er de vigtigste understøttende og roterende dele af mange bevægel...

Brugt til støtte, højde, vinkel, led og roterende dele af medicinsk udstyr.

Brugt til støtte, rotation, motoriske og kompressordele af husholdningsapparater.

Bruges til rotation og bevægelse af support og guide dele af automatiseringsudstyr

I bygningsstrukturer kan lejer bruges til at forbinde forskellige strukturelle komponenter.

I produktionsprocessen med mad og drikkevarer er der behov for pumper for at transportere væsker,...

Lejer bruges i fly- og rumfartøjsmotorer til understøttelse af roterende komponenter såsom turbin...

Nyhedsinformation

Læs mere

2025-10-30

Application and Selection Recommendations of Deep Groov...
The deep groove ball bearing is the workhorse of the electric motor industry, serving as a critical component in everything from small appliance motors to large industrial drives. Its versatility, rel...

2025-10-24

Deep Groove Ball Bearing Installation Direction and Pre...
Proper installation is the most critical factor determining the performance, accuracy, and service life of a deep groove ball bearing. Unlike tapered roller bearings, a common point of confusion surro...

2025-10-17

How to Judge the Service Life and Wear Degree of Deep G...
Deep groove ball bearings are among the most common and versatile bearing types, found in everything from small electric motors to heavy industrial machinery. Their reliability is critical, but like a...

Kontakt os

SUBMIT

Teknisk rådgivning

  • Shanghai Yinin Bearing and Transmission Company

    Tilpassede løsninger

  • Shanghai Yinin Bearing and Transmission Company

    Kontinuerlig forskning og udvikling

  • Shanghai Yinin Bearing and Transmission Company

    Kvalitetskontrol

  • Shanghai Yinin Bearing and Transmission Company

    Teknisk support og træning

  • Shanghai Yinin Bearing and Transmission Company

    Hurtig respons

Hvis du har teknisk rådgivning eller feedback, vil vi give dig det mest professionelle svar hurtigst muligt!

Kontakt os