Hjem / Produkter / Rulleleje / Konisk rulleleje / 32300-serien
32300-serien Konisk rulleleje
32300-serien Konisk rulleleje
32300-serien Konisk rulleleje

32300-serien

Den 32300-serien koniske rullelejer er højkapacitets adskillelige lejer designet til at håndtere betydelige radiale og aksiale belastninger samtidigt. Denne serie har en stejl indre geometri, hvor kontaktvinklerne på den indre løbebane (kegle), den ydre løbebane (kop) og koniske ruller konvergerer ved en fælles top på lejeaksen. Dette specifikke design sikrer ægte rullende bevægelse og lav friktion under drift. Fremstillet af højrent kromstål er 32300-serien kendetegnet ved dets større tværsnit og øgede rullediameter sammenlignet med standardserien, hvilket giver forbedret lastbærende kapacitet og strukturel stivhed. Disse lejer er typisk monteret i par for at opnå tovejs aksial begrænsning, hvilket gør dem til grundlæggende komponenter i kraftige mekaniske krafttransmissioner og køretøjsakselsamlinger.

Send forespørgsel

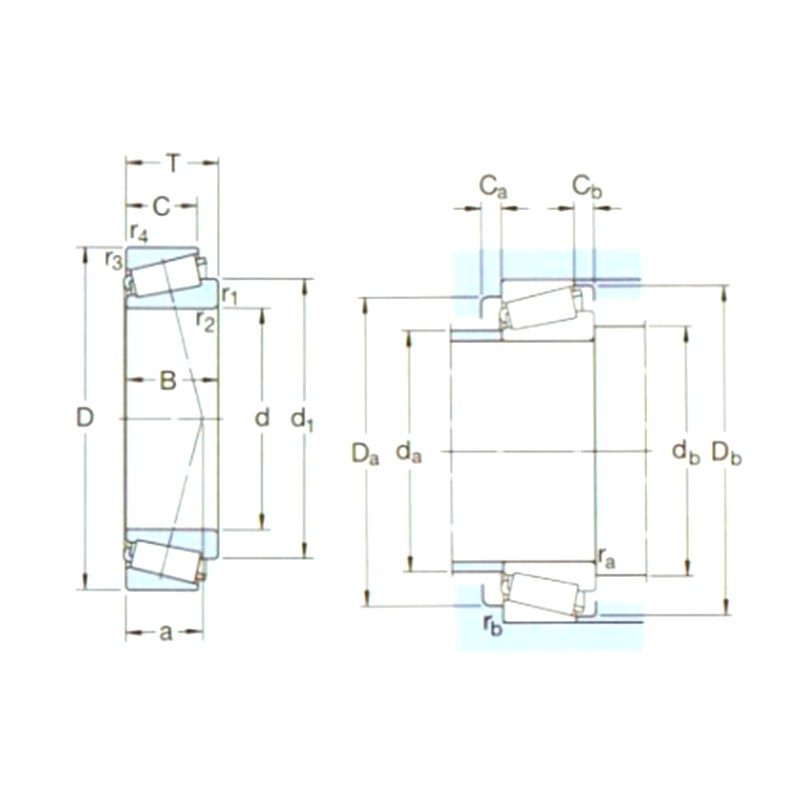
Tekniske specifikationer og ydeevneprofil: 32300-serien koniske rullelejer

Kerne tekniske fordele

  • Kombineret belastningsstyring: Konstrueret til at understøtte højtrykskraft og radiale kræfter gennem optimeret tilspidsede kontaktvinkler .
  • Adskillelige komponenter: Koppen og keglesamlingen (ruller og bur) kan monteres uafhængigt, hvilket letter vedligeholdelse og præcision justering af spillerum .
  • Høj dimensionsstabilitet: Specialiserede varmebehandlingsprocesser sikrer, at lejet bevarer sit geometriske tolerancer under fluktuerende termiske forhold.
  • Lav driftsfriktion: Præcisionsslebne løbebaner minimerer overfladens ruhed, hvilket reducerer drejningsmoment og varmeopbygning under højhastighedsrotation .

Tekniske egenskaber

Materialespecifikation GCr15 High-Carbon Chromium Lejestål
Burmateriale Presset stål / bearbejdet messing (anvendelsesafhængig)
Præcisionsgrad P0 (Normal), P6, P5
Indlæsningstype Ensrettet aksial høj radial
Temperaturområde -30°C til 120°C (standardsmøring)

Primære applikationsscenarier

  • Drivlinjer til biler: Hjulnav til tunge lastbiler, forskelle og transmissionssystemer.
  • Industrielle maskiner: Primære komponenter i gearkassereduktionsenheder , valseværker og mineudstyr.
  • Byggeudstyr: Integreret i de endelige drevsamlinger af gravemaskiner og bulldozere, der kræver stødbelastningsmodstand .
  • Landbrugsteknik: Højspændingsdrejepunkter og drivaksler i traktorer og høstmaskiner.

Installations- og vedligeholdelsesprotokoller

Opbevaring og håndtering

Lejer skal opbevares i et rent, tørt miljø med en konstant temperatur for at forhindre fugtkondensering. Den originale beskyttende fedtbelægning skal forblive intakt; fjern ikke anti-rust emballage indtil installationstidspunktet. Undgå lodret stabling ud over specificerede højder for at forhindre elliptisk deformation af ringene.

Forholdsregler ved brug

  • Justering af aksial frigang: Under monteringen slutspil eller preload skal indstilles nøjagtigt i henhold til fabrikantens specifikationer for at undgå for tidlig træthed eller overophedning.
  • Kontamineringskontrol: Sørg for, at huset og skaftet er fri for slibende partikler; udnytte kompatible tætninger at opretholde smøremidlets renhed i udendørs eller støvede miljøer.
  • Valg af smøring: Brug Ekstremt tryk (EP) additiver i smørefedt til applikationer, der involverer kraftige stødbelastninger for at opretholde en tilstrækkelig oliefilm mellem rullerne og løbebanerne.
  • Justeringsbekræftelse: Sørg for aksel-til-hus koncentricitet er inden for specificerede grænser for at forhindre kantbelastning på de tilspidsede ruller.

Produktparametre

Betegnelse Hovedmål (mm) Grundlæggende belastningsklasser(KN) Pu Hastighedsklassifikationer (rpm) Vægt (Kg) ISO335 Dimensioner (mm) Abutment og filetdimensioner (mm) Værdi
d1 D B dyc(Cr) stc(Cor) Hastighedsvurderinger Begrænsende hastighed Dimensioner (ABMA) d d1~ B C r1,2(min) r3,4(min) a da(max) db(min) Da(min) Da(max) Db(min) Ca(min) Cb(min) ra(max) rb(max) e Y Yo
32303J2/Q 17 47 20,25 40 33,5 3,65 12000 16000 0,17 2FD 17 30,7 19 16 1 1 12 24 23 39 41 43 3 4 1 1 0,28 2,1 1,1
32304J2/Q 20 52 22,25 51 45,5 5 12000 14000 0,23 2FD 20 34,5 21 18 1,5 1,5 14 27 27 43 45 47 3 4 1,5 1,5 0,3 2 1,1
32305J2 25 62 25,25 60,5 63 7,1 8000 12000 0,36 2FD 25 41,7 24 20 1,5 1,5 15 33 32 52 55 57 3 5 1,5 1,5 0,3 2 1,1
32306J2/Q 30 72 28,75 88 85 9,65 7500 10000 0,55 2FD 30 48,7 27 23 1,5 1,5 18 39 37 59 65 66 3 5,5 1,5 1,5 0,31 1,9 1,1
32307J2/Q 35 80 32,75 95,2 106 12,2 6700 9000 0,73 2FE 35 54,8 31 25 2 1,5 20 44 44 66 71 74 4 7,5 2 1,5 0,31 1,9 1,1
32307BJ2/Q 35 80 32,75 93,5 114 13,2 6300 8500 0,80 5FE 35 59,3 31 25 2 1,5 24 42 44 61 71 76 4 7,5 2 1,5 0,54 1,1 0,6
32307/37BJ2/Q 37 80 32,75 93,5 114 13,2 6300 8500 0,85 - 37 54,8 31 25 2 1,5 20 44 44 66 71 74 4 7,5 2 1,5 0,54 1,1 0,6
32308J2/Q 40 90 35,25 117 140 16 5300 8000 1,00 2FD 40 62,9 33 27 2 1,5 23 51 49 73 81 82 3 8 2 1,5 0,35 1,7 0,9
32309J2/Q 45 100 38,25 140 170 20,4 4800 7000 1,35 2FD 45 70,4 36 30 2 1,5 25 57 53 82 91 93 4 8 2 1,5 0,35 1,7 0,9
32309BJ2/QCL7C 45 100 38,25 156 176 20 5000 6700 1,45 5FD 45 74,8 36 30 2 1,5 30 55 53 76 91 94 5 8 2 1,5 0,54 1,1 0,6
32310J2/Q 50 110 42,25 172 212 24 4300 6300 1,80 2FD 50 77,7 40 33 2,5 2 27 63 60 90 100 102 5 9 2 2 0,35 1,7 0,9
32310TN9 50 110 42,25 172 212 24 4300 6300 1,80 2FD 50 77,7 40 33 2,5 2 27 63 60 90 100 102 5 9 2 2 0,35 1,7 0,9
32310BJ2/QCL7C 50 110 42,25 183 216 24,5 4500 6000 1,85 5FD 50 82,9 40 33 2,5 2 34 62 60 83 100 103 5 9 2 2 0,54 1,1 0,6
32311J2 55 120 45,5 198 250 28,5 4000 5600 2,30 2FD 55 84,6 43 35 2,5 2 29 68 65 99 112 111 5 10,5 2 2 0,35 1,7 0,9
32311BJ2/QCL7C 55 120 45,5 216 260 30 4300 5600 2,50 5FD 55 90,5 43 35 2,5 2 36 67 65 91 112 112 5 10,5 2 2 0,54 1,1 0,6
32312J2/Q 60 130 48,5 229 290 34 3600 5300 2,85 2FD 60 91,7 46 37 3 2,5 31 74 72 107 118 120 6 11,5 2,5 2 0,35 1,7 0,9
32312BJ2/QCL7C 60 130 48,5 255 305 35,5 3800 5000 2,80 5FD 60 98,1 46 37 3 2,5 38 73 72 99 118 122 6 11,5 2,5 2 0,54 1,1 0,6
32313J2/Q 65 140 51 264 335 40 3400 4800 3,45 2GD 65 99,2 48 39 3 2,5 33 80 77 117 128 130 6 12 2,5 2 0,35 1,7 0,9
32313BJ2/QU4CL7CVQ267 65 140 51 285 345 40,5 3600 4800 3,35 5GD 65 105 48 39 3 2,5 41 79 77 107 128 131 6 12 2,5 2 0,54 1,1 0,6
32314J2/Q 70 150 54 297 380 45 3200 4500 4,30 2GD 70 106 51 42 3 2,5 36 86 82 125 138 140 6 12 2,5 2 0,35 1,7 0,9
32314BJ2/QCL7C 70 150 54 325 400 46,5 3400 4300 4,25 5GD 70 113 51 42 3 2,5 44 85 82 115 138 141 7 12 2,5 2 0,54 1,1 0,6
32315J2 75 160 58 336 440 51 3000 4300 5,20 2GD 75 113 55 45 3 2,5 38 92 87 133 148 149 7 13 2,5 2 0,35 1,7 0,9
32315BJ2/QCL7C 75 160 58 380 475 55 3200 4000 5,55 5GD 75 120 55 45 3 2,5 46 90 87 124 148 151 7 13 2,5 2 0,54 1,1 0,6
32316J2 80 170 61,5 380 500 57 3000 4300 6,20 2GD 80 120 58 48 3 2,5 41 98 92 142 158 159 7 13,5 2,5 2 0,35 1,7 0,9
32317J2 85 180 63,5 402 530 60 2800 4000 6,85 2GD 85 126 60 49 4 3 42 103 99 150 166 167 7 14,5 3 2,5 0,35 1,7 0,9
32317BJ2 85 180 63,5 391 560 62 2800 4000 7,50 5GD 85 135 60 49 4 3 52 102 99 138 166 169 7 14,5 3 2,5 0,54 1,1 0,6
32318J2 90 190 67,5 457 610 67 2600 4000 8,40 2GD 90 133 64 53 4 3 44 109 105 157 176 177 7 14,5 3 2,5 0,35 1,7 0,9
32319J2 95 200 71,5 501 670 72 2400 3400 11,0 2GD 95 141 67 55 4 3 47 115 110 166 186 186 8 16,5 3 2,5 0,35 1,7 0,9
32320J2 100 215 77,5 572 780 83 2200 3000 12,5 2GD 100 151 73 60 4 3 51 123 115 177 201 200 8 17,5 3 2,5 0,35 1,7 0,9
32321J2 105 225 81,5 605 815 85 2000 3000 14,5 2GD 105 158 77 63 4 3 53 129 120 185 211 209 9 18,5 3 2,5 0,35 1,7 0,9
32322 110 240 84,5 627 830 86,5 1900 2800 17,0 2GD 110 168 80 65 4 3 55 137 125 198 226 222 9 19,5 3 2,5 0,35 1,7 0,9
32324J2 120 260 90,5 792 1120 110 1800 2600 21,5 2GD 120 181 86 69 4 3 60 148 135 213 245 239 9 21,5 3 2,5 0,35 1,7 0,9

Om Yinin

Shanghai Yinin Bearing and Transmission Company Etableret i 2009, med mere end 20 års erfaring inden for lejebranchen. Vi er Kina 32300-serien Konisk rulleleje Producent Og leverer Tilpassede 32300-serien Konisk rulleleje Fabrikker. Siden 1999 har vi fungeret som agent for kinesiske lejeproducenter og eksporteret forskellige lejer. I dag har vi udviklet os til en omfattende lejegruppe, der integrerer salg og produktion.

Brancheapplikation

Lejer spiller også en meget vigtig rolle i landbrugsmaskineriet. De bruges til at understøtte rot...

Lejer er vidt brugt i biler. De er de vigtigste understøttende og roterende dele af mange bevægel...

Brugt til støtte, højde, vinkel, led og roterende dele af medicinsk udstyr.

Brugt til støtte, rotation, motoriske og kompressordele af husholdningsapparater.

Bruges til rotation og bevægelse af support og guide dele af automatiseringsudstyr

I bygningsstrukturer kan lejer bruges til at forbinde forskellige strukturelle komponenter.

I produktionsprocessen med mad og drikkevarer er der behov for pumper for at transportere væsker,...

Lejer bruges i fly- og rumfartøjsmotorer til understøttelse af roterende komponenter såsom turbin...

Nyhedsinformation

Læs mere

2026-04-30

Rustfrit stållejer: Sammenligningsguide for rust, bearb...
Rustfrit stål lejer er blandt de mest udbredte lejematerialer i industri- og forbrugerprodukter. De tilbyder god korrosionsbestandighed i de fleste miljøer, men de er ikke helt rustsikre, og ...

2026-04-23

Tekniske strategier til optimering af levetiden for dyb...
Shanghai Yinin Bearing & Transmission Company, etableret som en industri- og handelsintegreret virksomhed siden 2016, har specialiseret sig i det omfattende design og fremstilling af avancerede rot...

2026-04-15

Hvordan vælger man det rigtige indvendige spillerum til...
Indvirkningen af høje rotationshastigheder på lejefrigang Centrifugalkraft og termisk udvidelse : Ved højhastighedsapplikationer er den indre ring af en vinkelkontakt dobbeltræ...

Kontakt os

SUBMIT

Teknisk rådgivning

  • Shanghai Yinin Bearing and Transmission Company

    Tilpassede løsninger

  • Shanghai Yinin Bearing and Transmission Company

    Kontinuerlig forskning og udvikling

  • Shanghai Yinin Bearing and Transmission Company

    Kvalitetskontrol

  • Shanghai Yinin Bearing and Transmission Company

    Teknisk support og træning

  • Shanghai Yinin Bearing and Transmission Company

    Hurtig respons

Hvis du har teknisk rådgivning eller feedback, vil vi give dig det mest professionelle svar hurtigst muligt!

Kontakt os