Hjem / Produkter / Rulleleje / Konisk rulleleje / 33000 -serien
33000 -serien Konisk rulleleje
33000 -serien Konisk rulleleje
33000 -serien Konisk rulleleje

33000 -serien

De 33000 -serie konisk rulleleje er en højtydende rullende leje, der er vidt brugt til at bære tunge belastninger og aksiale belastninger. Denne serie af lejer vedtager et konisk rulledesign, som effektivt kan dele belastninger fra flere retninger og give højere stivhed og stabilitet. Det koniske design af de indre og ydre ringe øger kontaktområdet og forbedrer derved bærende kapacitet og slidstyrke. Denne form for pejling bruges ofte i industrielle maskiner, biler, jernbaner, luftfart og andre felter og er især velegnet til applikationer, der kræver høj præcision og effektivitet. 33000 -serien lejer har også god temperaturresistens og korrosionsmodstand og kan fungere i barske miljøer i lang tid. Gennem rimelig smøring og vedligeholdelse kan dens levetid udvides betydeligt, og vedligeholdelsesomkostninger kan reduceres. De forskellige specifikationer i denne serie af lejer kan imødekomme behovene hos forskellige kunder og bruges i vid udstrækning i forskellige typer roterende udstyr.

Send forespørgsel

33000 -serie konisk rulleleje - Høj præcision og lang levetid Industrial Industrial

33000 -serie konisk rulleleje er en højpræcisionskapacitet med høj belastning, der ruller bærer, der er egnet til en række industrielle og mekaniske anvendelser. Denne række lejer vedtager konisk rulle og konisk raceway -design, kan bære radiale og aksiale belastninger på samme tid og har god stabilitet og holdbarhed.


Produktfordele

Høj belastningskapacitet
De 33000-serie-koniske rullebærende vedtager en konisk rullestruktur, der kan bære store radiale og aksiale belastninger på samme tid og er velegnet til tunge forhold.

High Precision & Long Life
Denne række lejer vedtager præcisionsproduktionsteknologi for at sikre høj præcision og lang levetid. Dens overfladehærdningsbehandling og optimeret stressfordelingsdesign forbedrer træthedens levetid og pålidelighed af lejet.

Flere modeller og specifikationer
33000 -seriens lejer fås i en række modeller og størrelser for at imødekomme behovene i forskellige applikationsscenarier. For eksempel inkluderer 33000 -serien 33000, 33001, 33002 og andre modeller, der er egnede til forskellige belastnings- og hastighedsbetingelser.

Tilpaselig service
Denne række lejer understøtter OEM -tilpasningstjeneste, og kunder kan tilpasse efter deres egne behov, herunder størrelse, materiale, tætningstype osv.

Bred vifte af applikationer
33000 -serie koniske rullelejer er vidt brugt i industrielle maskiner, biler, landbrugsmaskiner, pumper, fans, elevatorer, metallurgisk udstyr, minemaskiner og andre felter.

Flere tætningstyper
Denne række lejer giver en række tætningstyper, såsom åben, Z -type, 2Z -type, RS -type, 2RS -type osv., For at imødekomme tætningsbehovene i forskellige miljøer.

Flere materialemuligheder
Denne række lejer kan bruge en række forskellige materialer, såsom GCR15, bærende stål osv., For at sikre ydeevne under forskellige arbejdsforhold.


Produktapplikation
Industrielle maskiner: såsom værktøjsmaskiner, reduktionsmænd, transmissionssystemer osv.
Biler: såsom motorer, gearkasser, styresystemer osv.
Landbrugsmaskiner: såsom høstere, traktorer, seedere osv.
Pumper og fans: såsom centrifugalpumper, blæsere, kompressorer osv.
Elevatorer: såsom trækkraft, guide jernbanesystemer osv.
Metallurgisk udstyr: såsom rullende møller, knusere, transportører osv.
Minemaskiner: såsom gravemaskiner, læssere, knusere osv.

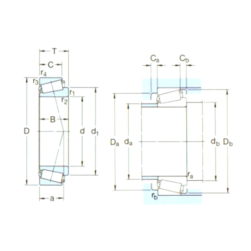
Produktparametre

Betegnelse Hoveddimensioner (mm) Grundlæggende bel-enstningsvurderinger (kN) PU Hastighedsvurderinger (omdrejninger pr. Minut Vægt (kg) ISO335 Dimensioner (mm) Abutment og filetdimensioner (mm) Værdi
D1 D B DYC (CR) STC (COR) Hastighedsvurderinger Begrænsende hastighed Dimensioner (ABMA) d D1 ~ B C R1,2 (min) R3,4 (min) a DA (Max) db (min) DA (min) DA (Max) Db (min) CA (min) CB (min) ra (max) RB (Max) e Y Yo
33010/q 50 80 24 80 102 11,4 6300 8000 0,4 5 2ce 50 64,9 24 19 1 1 17 56 56 72 74 76 4 5 1 1 0,31 1,9 1,1
33011/q 55 90 27 104 137 15,3 5600 7000 0,67 2ce 55 72,9 27 21 1,5 1,5 19 63 62 81 83 86 5 6 1,5 1,5 0,31 1,9 1,1
33012/q 60 95 27 106 143 16 5300 6700 0,71 2ce 60 77,1 27 21 1,5 1,5 20 67 67 85 88 90 5 6 1,5 1,5 0,33 1,8 1
33013/q 65 100 27 110 153 17,3 5000 6300 0,78 2ce 65 82,5 27 21 1,5 1,5 21 72 72 89 93 96 5 6 1,5 1,5 0,35 1,7 0,9
33014 70 110 31 130 196 22,8 4300 5600 1,10 2ce 70 88,8 31 25,5 1,5 1,5 23 78 77 99 103 105 5 5,5 1,5 1,5 0,28 2,1 1,1
33015/q 75 115 31 134 228 26 4000 5300 1,15 2ce 75 95 31 25,5 1,5 1,5 23 84 82 104 108 110 6 5,5 1,5 1,5 0,3 2 1,1
33016/q 80 125 36 168 285 32 3600 5000 1,65 2ce 80 102 36 29,5 1,5 1,5 26 90 87 112 117 119 6 6,5 1,5 1,5 0,28 2,1 1,1
33017/q 85 130 36 183 310 34,5 3600 4800 1,75 2ce 85 107 36 29,5 1,5 1,5 26 94 92 118 122 125 6 6,5 1,5 1,5 0,3 2 1,1
33018/q 90 140 39 216 355 39 3200 4500 2,20 2ce 90 113 39 32,5 2 1,5 27 100 98 127 132 135 7 6,5 2 1,5 0,27 2,2 1,3
33019/q 95 145 39 220 375 40,5 3200 4300 2,30 2ce 95 118 39 32,5 2 1,5 28 104 104 131 138 139 7 6,5 2 1,5 0,28 2,1 1,1
33020/q 100 150 39 224 390 41,5 3000 4000 2.40 2ce 100 122 39 32,5 2 1,5 29 109 108 135 142 143 7 6,5 2 1,5 0,3 2 1,1
33021/q 105 160 43 246 430 45,5 2800 3800 3.05 2DE 105 131 43 34 2,5 2 31 117 116 145 150 153 7 9 2 2 0,28 2,1 1,1
33022 110 170 47 281 500 53 2600 3600 3.85 2DE 110 139 47 37 2,5 2 34 123 121 152 160 161 7 10 2 2 0,28 2,1 1,1
33024 120 180 48 292 540 56 2600 3400 4,20 2DE 120 149 48 38 2,5 2 36 132 131 160 170 171 6 10 2 2 0,3 2 1,1
33030 150 225 59 457 865 86,5 2000 2600 8,15 2ee 150 188 59 46 3 2,5 48 164 162 200 213 217 8 13 2,5 2 0,37 1,6 0,9
31330XJ2 150 320 82 781 1020 100 1400 2000 29,5 7GB 150 234 75 50 5 4 96 181 170 251 303 300 9 32 4 3 0,83 0,72 0,4

Om Yinin

Shanghai Yinin Bearing and Transmission Company Etableret i 2009, med mere end 20 års erfaring inden for lejebranchen. Vi er Kina 33000 -serien Konisk rulleleje Producent Og leverer Tilpassede 33000 -serien Konisk rulleleje Fabrikker. Siden 1999 har vi fungeret som agent for kinesiske lejeproducenter og eksporteret forskellige lejer. I dag har vi udviklet os til en omfattende lejegruppe, der integrerer salg og produktion.

Brancheapplikation

Lejer spiller også en meget vigtig rolle i landbrugsmaskineriet. De bruges til at understøtte rot...

Lejer er vidt brugt i biler. De er de vigtigste understøttende og roterende dele af mange bevægel...

Brugt til støtte, højde, vinkel, led og roterende dele af medicinsk udstyr.

Brugt til støtte, rotation, motoriske og kompressordele af husholdningsapparater.

Bruges til rotation og bevægelse af support og guide dele af automatiseringsudstyr

I bygningsstrukturer kan lejer bruges til at forbinde forskellige strukturelle komponenter.

I produktionsprocessen med mad og drikkevarer er der behov for pumper for at transportere væsker,...

Lejer bruges i fly- og rumfartøjsmotorer til understøttelse af roterende komponenter såsom turbin...

Nyhedsinformation

Læs mere

2025-10-30

Application and Selection Recommendations of Deep Groov...
The deep groove ball bearing is the workhorse of the electric motor industry, serving as a critical component in everything from small appliance motors to large industrial drives. Its versatility, rel...

2025-10-24

Deep Groove Ball Bearing Installation Direction and Pre...
Proper installation is the most critical factor determining the performance, accuracy, and service life of a deep groove ball bearing. Unlike tapered roller bearings, a common point of confusion surro...

2025-10-17

How to Judge the Service Life and Wear Degree of Deep G...
Deep groove ball bearings are among the most common and versatile bearing types, found in everything from small electric motors to heavy industrial machinery. Their reliability is critical, but like a...

Kontakt os

SUBMIT

Teknisk rådgivning

  • Shanghai Yinin Bearing and Transmission Company

    Tilpassede løsninger

  • Shanghai Yinin Bearing and Transmission Company

    Kontinuerlig forskning og udvikling

  • Shanghai Yinin Bearing and Transmission Company

    Kvalitetskontrol

  • Shanghai Yinin Bearing and Transmission Company

    Teknisk support og træning

  • Shanghai Yinin Bearing and Transmission Company

    Hurtig respons

Hvis du har teknisk rådgivning eller feedback, vil vi give dig det mest professionelle svar hurtigst muligt!

Kontakt os