Hjem / Produkter / Rulleleje / Konisk rulleleje / 33200 -serien
33200 -serien Konisk rulleleje
33200 -serien Konisk rulleleje
33200 -serien Konisk rulleleje

33200 -serien

Serie 33200 koniske rullelejer er en lejetype, der ofte bruges i tunge og høje præcisionsapplikationer. Denne form for bærende består af en indre ring, en ydre ring, ruller og et bur og har fremragende bærende kapacitet og slidstyrke. Dets design gør det muligt for lejet at modstå radiale og aksiale belastninger under drift og er velegnet til brug i biler, ingeniørmaskiner, jernbaner og andre felter. De koniske ruller i 33200-serien giver et større kontaktområde og forbedrer derved bærende kapacitet og operationel stabilitet. Denne række lejer er normalt lavet af legering af høj kvalitet og har fremragende varmemodstand og korrosionsbestandighed, hvilket sikrer deres pålidelighed i barske arbejdsmiljøer. Derudover letter det standardiserede design af 33200 -seriens lejer udskiftning og vedligeholdelse og reducerer brugsomkostningerne.

Send forespørgsel

33200 -serie konisk rulleleje - høj belastning, lang levetid, præcision industrielle løsninger

De 33200 -serie konisk rulleleje er en højtydende, højpræcisionsrullende leje, der er egnet til en række industrielle og mekaniske anvendelser. Dens design kombinerer radial og aksial belastningskapacitet til at modstå høje belastninger og opnå glat drift. Denne række lejer er vidt brugt i bilindustrien, industrielt udstyr, rumfart, energi og andre felter.

1. superbelastningskapacitet
Den optimerede rulle- og ribbenkontaktdesign forbedrer belastningsfordelingsuniformiteten og øger dynamisk belastningskapacitet med 20% sammenlignet med standardlejer.
Velegnet til chokbelastning og vibrationsmiljøer (såsom minemaskiner, tunge lastbiler).

2. udvidet levetid
Speciel varmebehandlingsproces (carbonitriding -teknologi) forbedrer overfladehårdhed (HRC 60) og øger træthedslivet med 30%.
Rust-proof coatingmuligheder (såsom fosfatering eller zinkplader) er egnede til fugtige eller ætsende miljøer.

3. Præcisionsdrift og lavt energiforbrug
ISO P5 -niveau nøjagtighed (valgfri P4) reducerer friktionstab og hjælper udstyr med at spare energi med op til 15%.
Justerbart forudindlæst design for at imødekomme kravene til transmissionskrav med høj præcision (såsom maskinværktøjsspindler).

4. Multifunktionel tilpasningsevne
Sørg for kejserlige og metriske størrelser (såsom 33205, 33206, 33212 osv.), Kompatible med mainstream -mærker og udskiftelige modeller.
Supporttilpasning (sæler, fedt, materialer).

Anvendelsesområder
Bilindustri: Brugt til bilforskelle, gearkasser, motorer osv.
Industrielle maskiner: såsom værktøjsmaskiner, transportbånd, pumper, fans osv.
Energiudstyr: såsom generatorer, turbiner, kompressorer osv.
Luftfart: Brugt til nøglekomponenter såsom flymotorer og landingsudstyr.
Husholdningsapparater: såsom vaskemaskiner, køleskabe, klimaanlæg osv.

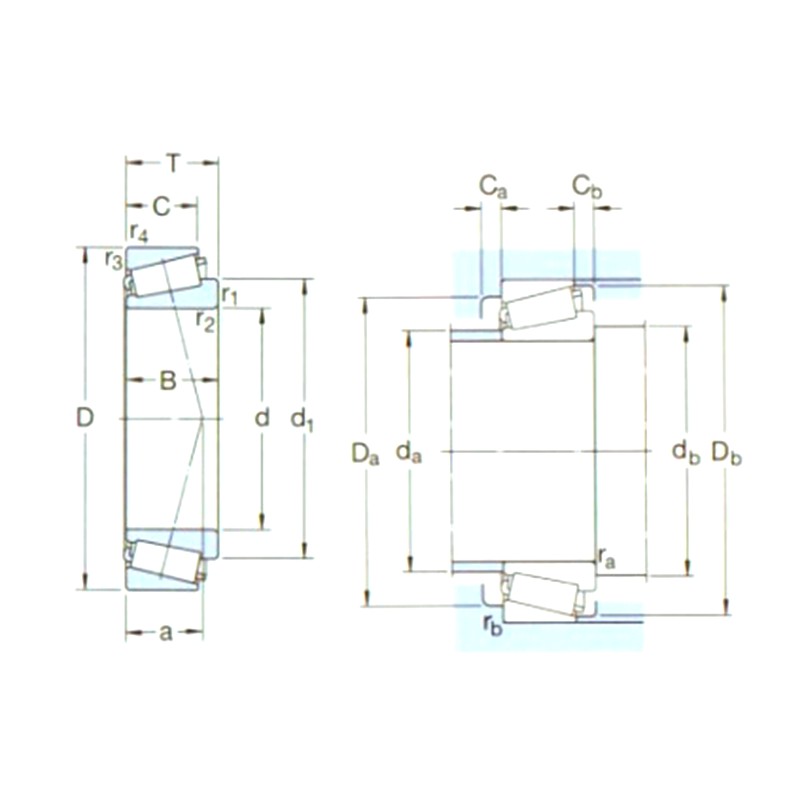
Produktparametre

Betegnelse Hoveddimensioner (mm) Grundlæggende bel-enstningsvurderinger (kN) PU Hastighedsvurderinger (omdrejninger pr. Minut Vægt (kg) ISO335 Dimensioner (mm) Abutment og filetdimensioner (mm) Værdi
D1 D B DYC (CR) STC (COR) Hastighedsvurderinger Begrænsende hastighed Dimensioner (ABMA) d D1 ~ B C R1,2 (min) R3,4 (min) a DA (Max) db (min) DA (min) DA (Max) Db (min) CA (min) CB (min) ra (max) RB (Max) e Y Yo
33205/q 25 52 22 54 56 6 10000 13000 0,23 2DE 25 38,6 22 18 1 1 14 30 31 43 46 49 4 4 1 1 0,35 1,7 0,9
33206/q 30 62 25 75 76,5 8,5 8500 11000 0,37 2DE 30 45,8 25 19,5 1 1 16 36 36 53 56 59 5 5,5 1 1 0,35 1,7 0,9
33208/QCL7C 40 80 32 120 132 15 6300 8500 0,77 2DE 40 59,7 32 25 1,5 1,5 21 47 47 67 73 76 5 7 1,5 1,5 0,35 1,7 0,9
33209/q 45 85 32 108 143 16,3 5300 7500 0,82 3DE 45 65,2 32 25 1,5 1,5 22 52 52 72 78 81 5 7 1,5 1,5 0,4 1,5 0,8
33210/q 50 90 32 114 160 18,3 5000 7000 0,90 3DE 50 70,7 32 24,5 1,5 1,5 23 57 57 77 83 87 5 7,5 1,5 1,5 0,4 1,5 0,8
33211/q 55 100 35 138 190 21,6 4500 6300 1,20 3DE 55 77,6 35 27 2 1,5 25 63 64 85 93 96 6 8 2 1,5 0,4 1,5 0,8
33212/q 60 110 38 168 236 26,5 4000 6000 1,60 3ee 60 85,3 38 29 2 1,5 27 69 68 93 103 105 6 9 2 1,5 0,4 1,5 0,8
33213/q 65 120 41 194 270 30,5 3800 5300 2.05 3ee 65 92,1 41 32 2 1,5 29 75 74 102 113 115 6 9 2 1,5 0,4 1,5 0,8
33213TN9/Q. 65 120 41 194 270 30,5 3800 5300 2.05 3ee 65 92,1 41 32 2 1,5 29 75 74 102 113 115 6 9 2 1,5 0,4 1,5 0,8
33214/q 70 125 41 201 285 32,5 3600 5000 2,10 3ee 70 97,2 41 32 2 1,5 30 79 78 107 115 120 6 9 2 1,5 0,4 1,5 0,8
33215/q 75 130 41 209 300 34 3400 4800 2,25 3ee 75 102 41 31 2 1,5 32 84 84 111 122 125 6 10 2 1,5 0,43 1,4 0,8
33216/q 80 140 46 251 375 41,5 3200 4500 2,90 3ee 80 110 46 35 2,5 2 35 89 90 119 130 135 7 11 2 2 0,43 1,4 0,8
33217/q 85 150 49 286 430 48 3000 4300 3,70 3ee 85 117 49 37 2,5 2 37 96 95 128 140 144 7 12 2 2 0,43 1,4 0,8
33219 95 170 58 374 560 62 2600 3800 5,50 3Fe 95 132 58 44 3 2,5 42 107 107 144 158 163 9 14 2,5 2 0,40 1,5 0,8
33220 100 180 63 429 655 71 2400 3600 6,95 3Fe 100 139 63 48 3 2,5 43 112 112 151 168 172 10 15 2,5 2 0,4 1,5 0,8
30332J2 160 340 75 913 1180 114 1500 2000 29,0 2 GB 160 233 68 58 5 4 61 201 180 290 323 310 9 17 4 3 0,35 1,7 0,9

Om Yinin

Shanghai Yinin Bearing and Transmission Company Etableret i 2009, med mere end 20 års erfaring inden for lejebranchen. Vi er Kina 33200 -serien Konisk rulleleje Producent Og leverer Tilpassede 33200 -serien Konisk rulleleje Fabrikker. Siden 1999 har vi fungeret som agent for kinesiske lejeproducenter og eksporteret forskellige lejer. I dag har vi udviklet os til en omfattende lejegruppe, der integrerer salg og produktion.

Brancheapplikation

Lejer spiller også en meget vigtig rolle i landbrugsmaskineriet. De bruges til at understøtte rot...

Lejer er vidt brugt i biler. De er de vigtigste understøttende og roterende dele af mange bevægel...

Brugt til støtte, højde, vinkel, led og roterende dele af medicinsk udstyr.

Brugt til støtte, rotation, motoriske og kompressordele af husholdningsapparater.

Bruges til rotation og bevægelse af support og guide dele af automatiseringsudstyr

I bygningsstrukturer kan lejer bruges til at forbinde forskellige strukturelle komponenter.

I produktionsprocessen med mad og drikkevarer er der behov for pumper for at transportere væsker,...

Lejer bruges i fly- og rumfartøjsmotorer til understøttelse af roterende komponenter såsom turbin...

Nyhedsinformation

Læs mere

2025-10-30

Application and Selection Recommendations of Deep Groov...
The deep groove ball bearing is the workhorse of the electric motor industry, serving as a critical component in everything from small appliance motors to large industrial drives. Its versatility, rel...

2025-10-24

Deep Groove Ball Bearing Installation Direction and Pre...
Proper installation is the most critical factor determining the performance, accuracy, and service life of a deep groove ball bearing. Unlike tapered roller bearings, a common point of confusion surro...

2025-10-17

How to Judge the Service Life and Wear Degree of Deep G...
Deep groove ball bearings are among the most common and versatile bearing types, found in everything from small electric motors to heavy industrial machinery. Their reliability is critical, but like a...

Kontakt os

SUBMIT

Teknisk rådgivning

  • Shanghai Yinin Bearing and Transmission Company

    Tilpassede løsninger

  • Shanghai Yinin Bearing and Transmission Company

    Kontinuerlig forskning og udvikling

  • Shanghai Yinin Bearing and Transmission Company

    Kvalitetskontrol

  • Shanghai Yinin Bearing and Transmission Company

    Teknisk support og træning

  • Shanghai Yinin Bearing and Transmission Company

    Hurtig respons

Hvis du har teknisk rådgivning eller feedback, vil vi give dig det mest professionelle svar hurtigst muligt!

Kontakt os