LV -serie Track rulle lejer
LV -serie Track rulle lejer
LV -serie Track rulle lejer

LV -serie

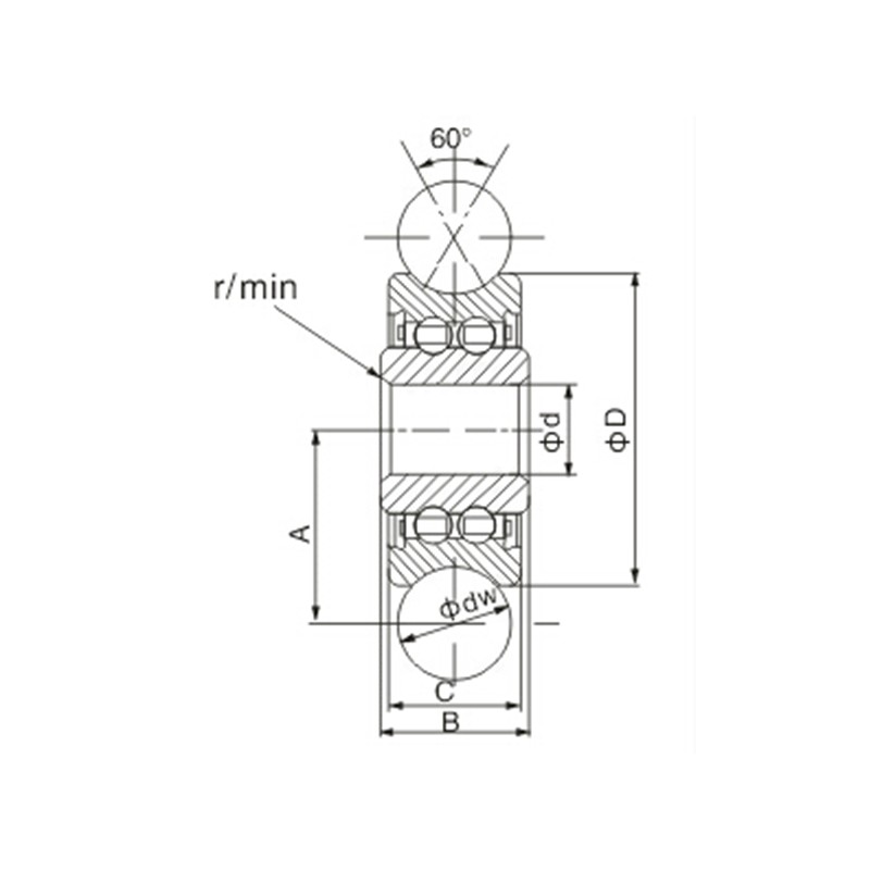
LV -serien Guide Rulle Lejer er en slags bærende, der er specielt brugt i lineære guide -systemer og bruges ofte i industrielt automatiseringsudstyr og præcisionsmaskiner. De har en V-formet ydre kontur, der præcist matcher den V-formede guidebane, hvilket giver en stabil rullende effekt. Dette design øger ikke kun kontaktområdet mellem guideskinnen og rullen, men forbedrer også belastningskapaciteten og slidbestandigheden af ​​lejet, hvilket gør det velegnet til høje hastighed og tunge belastningsforhold. LV-seriens lejer er vidt brugt i tekstilmaskiner, robotudstyr, emballeringsmaskiner og andre felter, især i situationer, hvor der kræves høj præcision og lav friktion.

Send forespørgsel

Produktparametre

Hjultype Vægt Dimensioner (mm) Belastning (KN)
(Kg) dw d D b C EN α Rs CW Ko
LV 20/7 ZZ 17 10 7 22 11 11 14.5 120 0.3 3.78 2.05
LV 20/8 ZZ 49 10 8 30 14 14 18.1 120 0.3 5.13 2.67
LV 202-38 ZZ 87 10 15 38 17 17 22.3 120 0.5 8.47 5.37
LV 202-40 ZZ 110 10 15 40 18 18 22 120 0.5 8.47 5.37
LV 201 ZZ 130 20 12 41 20 20 28 120 0.3 8.47 5.37
LV 201-14.2RS 107 14 12 39.9 20.1 18 24 100 0.5 8.9 5
LV 202-41 ZZ 116 20 15 41 20 20 28 120 0.5 8.47 5.37
LV 203 ZZ 325 20 17 58 25 25 35 120 0.5 14.66 9.1
LV 204-57 ZZ 290 30 20 57 22 22 41 120 0.6 14.66 9.1

Om Yinin

Shanghai Yinin Bearing and Transmission Company Etableret i 2009, med mere end 20 års erfaring inden for lejebranchen. Vi er Kina LV -serie Track rulle lejer Producent Og leverer Tilpassede LV -serie Track rulle lejer Fabrikker. Siden 1999 har vi fungeret som agent for kinesiske lejeproducenter og eksporteret forskellige lejer. I dag har vi udviklet os til en omfattende lejegruppe, der integrerer salg og produktion.

Brancheapplikation

Lejer spiller også en meget vigtig rolle i landbrugsmaskineriet. De bruges til at understøtte rot...

Lejer er vidt brugt i biler. De er de vigtigste understøttende og roterende dele af mange bevægel...

Brugt til støtte, højde, vinkel, led og roterende dele af medicinsk udstyr.

Brugt til støtte, rotation, motoriske og kompressordele af husholdningsapparater.

Bruges til rotation og bevægelse af support og guide dele af automatiseringsudstyr

I bygningsstrukturer kan lejer bruges til at forbinde forskellige strukturelle komponenter.

I produktionsprocessen med mad og drikkevarer er der behov for pumper for at transportere væsker,...

Lejer bruges i fly- og rumfartøjsmotorer til understøttelse af roterende komponenter såsom turbin...

Nyhedsinformation

Læs mere

2025-10-30

Application and Selection Recommendations of Deep Groov...
The deep groove ball bearing is the workhorse of the electric motor industry, serving as a critical component in everything from small appliance motors to large industrial drives. Its versatility, rel...

2025-10-24

Deep Groove Ball Bearing Installation Direction and Pre...
Proper installation is the most critical factor determining the performance, accuracy, and service life of a deep groove ball bearing. Unlike tapered roller bearings, a common point of confusion surro...

2025-10-17

How to Judge the Service Life and Wear Degree of Deep G...
Deep groove ball bearings are among the most common and versatile bearing types, found in everything from small electric motors to heavy industrial machinery. Their reliability is critical, but like a...

Kontakt os

SUBMIT

Teknisk rådgivning

  • Shanghai Yinin Bearing and Transmission Company

    Tilpassede løsninger

  • Shanghai Yinin Bearing and Transmission Company

    Kontinuerlig forskning og udvikling

  • Shanghai Yinin Bearing and Transmission Company

    Kvalitetskontrol

  • Shanghai Yinin Bearing and Transmission Company

    Teknisk support og træning

  • Shanghai Yinin Bearing and Transmission Company

    Hurtig respons

Hvis du har teknisk rådgivning eller feedback, vil vi give dig det mest professionelle svar hurtigst muligt!

Kontakt os